一、概述
  該分配器適用于公稱壓力為20MPa的雙線式集中潤滑系統,作為一種計量給油裝置,它在兩條供油管交替供油壓力作用下,直接由供油壓力推動活塞給油,完成向各潤滑點定量分配潤滑脂的功能。
  DSPQ-L型單向給油分配器出油口都在底部,分配器活塞正反向動作均從同一個給油口排油,系統每工作一次,各給油口均排油一次。
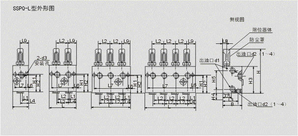
SSPQ-L型雙向給油分配器正面和底部均有出油口,分配器活塞正反向動作分別從正面和底部的出油口排出潤滑脂。正面右位給油口下預制一,二口合并為一口的螺塞,易改為奇數出油,使系統配管簡單。
  該型分配器可以從指示桿的動作直接觀察分配器的工作情況,還可以通過調整螺釘在規定范圍內方便地調整各個給油口的出油量。
                                                 
二、技術參數
  DSPQ-L型(注:損失量是指推動導向活塞需要的流量)
    
    SSPQ-L型(注:損失量是指推動導向活塞需要的流量)
    
三、型號標注
    
四、外型結構及尺寸
   
   
  SSPQ-L型雙向出油的雙線分配器,在正面和下面都有出油口,活塞正向,反向排油時,正面出油口和下面出油口交替供送潤滑脂。
  其形式與尺寸見圖與表的規定