| 
| 一、使用條件VSKV-KR型雙線分配器正面設上下二排出油口,分配器活塞正反向動作時分別從上排和下排的出油口排出潤滑脂。還可以從指示桿的動作直接觀察分配器的工作情況,并可通過調整螺釘在規定范圍內調整出油口的給油量。
 該型分配器適用于公稱壓力為40MPa 的雙線式干油集中潤滑系統中,它在兩條供油主管交替的供油壓力作用下,直接由供油壓力控制活塞動作給油,完成向潤滑點定量分配潤滑脂的功能。
 
 
 |  | 
| 二、技術參數 |  | 
| 
| 型號 | 公稱壓力MPa | 動作壓力Mpa | 額定給油量ml/循環 | 調整螺釘每轉一圈調整量ml |  
| 7786-A5 | 45 | 17 | 0.5-0.7 | 65:1 |  | 
| 使用介質為錐入度不低于265(25℃,150g)1/10mm 的潤滑脂(NLGI0#~2#)或粘度等級大于N68 的潤滑油;使用環境溫度為-10~80℃;使用介質為潤滑油時,請在20MPa 壓力下使用。 | 
|  | 
| 三、型號說明 | 
|  | 
|  | 
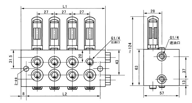
| 四、外形尺寸 | 
|  | 
| 
| 型號 | VSKV2-KR | VSKV4-KR | VSKV6-KR | VSKV8-KR |  
| L1 | 52 | 80 | 108 | 136 |  
| L2 | 36 | 64 | 92 | 120 |  | 
|  | 
| 五、使用說明 | 
| 分配器安裝使用環境溫度在-10~80℃以外的必須在訂貨合同中注明,以便供貨時提供耐低、高溫油封。 | 
|  |