|
一、概述 該電動加油泵適用于干油集中潤滑系統中,向電動潤滑泵的貯油器內充填潤滑劑,該泵為內藏式柱塞容積泵,采用減速電機直接傳動,帶動偏心輪往復運動,實現吸壓油功能。該泵運轉平穩,輸出壓力高,設有低油位報警裝置,能及時地向油筒內充填潤滑脂。
二、技術參數
|
| |
|
型號 |
公稱壓力MPa |
加油量L/h |
柱塞泵 |
電動機 |
減速箱加油量L |
重量kg |
|
轉速r/min |
減速比 |
功率kW |
|
KGP-700LS |
3 |
72 |
56 |
1:25 |
0.37 |
0.35 |
56 | |
| 使用介質為錐入度不低于265(25℃,150g)1/10mm的潤滑脂(NLGI0#~2#)或粘度等級大于N46的工業潤滑油。 |
| |
|
| 三、使用說明 |
|
1、在使用前,首先用〉N220潤滑油加入減速箱腔內,加到高于油標位置。 2、按旋向箭頭方向接線旋轉。 3、輸送的潤滑劑必須干凈,質地均勻,并在規定牌號范圍內。 4、泵公稱壓力3MPa,出廠時已調好,不必再作調整。 5、出廠時配膠管內徑為F13,對外連接螺紋為M33×2,如果潤滑泵加油口連接螺紋為M32×3,則使用備用過渡接頭。 6、本泵設有低位報警裝置,報警后應及時地向油筒內充填潤滑脂。 |
|
|
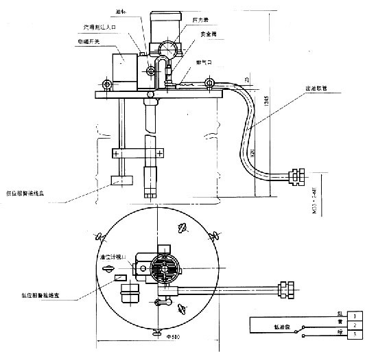
| 四、外形尺寸 |
 |
五、故障及排除 1、無油排出: a、潤滑劑中帶有空氣,松開排氣閥把潤滑劑中空氣排凈,再擰緊排氣閥。 b、吸油口給雜質卡住,不能吸、壓油,清除吸油口雜質。 2、出油壓力低: a、泵中單向閥是否給雜質卡住或損壞,清洗單向閥雜質或更換。 b、檢查各密封處及管路接頭是否有泄漏,更換密封件,擰緊各接頭。
六、備件 過渡接頭(外螺紋M33×2/內螺紋M32×3) |