|
一、概述 SGQ系列雙線給油器適用于公稱壓力為10MPa的雙線式干油集中潤滑系統中,作為一種計量給油裝置。它在二條供油管交替的供油壓力作用下,由供油壓力推動活塞給油,完成向各潤滑點定量分配潤滑脂的功能。 SGQ雙線給油器有單向出油和雙向出油二種結構形式。單向出油的給油器只有下給油孔,活塞正反排油時都由下給油孔向潤滑點供送潤滑脂;雙向出油的給油器有上、下給油孔,活塞正反向排油時由上下給油孔交替向潤滑點供送潤滑脂。給油器可以從指示桿的動作直接觀察到給油器的工作情況,還可以通過調節螺絲在規定范圍內方便地調整各給油口的給油量。 | |
| 二、技術參數 |
|
|
型 號 |
給油口數 |
公稱壓力MPa |
每孔每次給油量L |
L |
B |
H |
h |
L1 |
L2 |
A |
A1 |
重量kg |
|
min |
max |
|
SGQ-1 |
SGQ-11:21S |
1 |
2 |
10 |
0.1 |
0.5 |
54 |
44 |
85 |
56 |
20 |
23 |
40 |
34 |
1.0 |
|
SGQ-21:41S |
2 |
4 |
77 |
63 |
1.3 |
|
SGQ-31:61S |
3 |
6 |
100 |
86 |
1.8 |
|
SGQ-41:81S |
4 |
8 |
123 |
109 |
2.3 |
|
SGQ-2 |
SGQ-12:22S |
1 |
2 |
0.5 |
2.0 |
55 |
47 |
99 |
62 |
20 |
25 |
41 |
40 |
1.1 |
|
SGQ-22:42S |
2 |
4 |
80 |
66 |
1.7 |
|
SGQ-32:62S |
3 |
6 |
105 |
91 |
2.2 |
|
SGQ-42:82S |
4 |
8 |
130 |
116 |
2.8 |
|
SGQ-3 |
SGQ-13:23S |
1 |
2 |
1.5 |
5.0 |
55 |
53 |
105 |
65 |
20 |
25 |
41 |
40 |
1.4 |
|
SGQ-23:43S |
2 |
4 |
80 |
66 |
2.0 |
|
SGQ-33:63S |
3 |
6 |
105 |
91 |
2.7 |
|
SGQ-43:83S |
4 |
8 |
130 |
116 |
3.4 |
|
SGQ-4 |
SGQ-14:24S |
1 |
2 |
3.0 |
10 |
58 |
57 |
123 |
77 |
20 |
30 |
44 |
52 |
1.8 |
|
SGQ-24:44S |
2 |
4 |
88 |
74 |
2.9 |
|
SGQ-5 |
SGQ-15 |
1 |
6.0 |
20 |
88 |
57 |
123 |
77 |
50 |
- |
74 |
52 |
2.9 | |
| 使用介質為錐入度不低于265(25℃,150g)1/10mm的潤滑脂(NLGI0#~2#),工作環境溫度-10℃~80℃。 |
| |
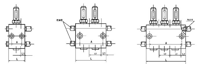
| 三、外形尺寸 |
 |
|
SGQ-11 SGQ-21S SGQ-12 SGQ-22S SGQ-13 SGQ-23S SGQ-14 SGQ-24S
|
SGQ-21 SGQ-41S SGQ-22 SGQ-42S SGQ-23 SGQ-43S SGQ-24 SGQ-44S |
SGQ-31 SGQ-61S SGQ-32 SGQ-62S SGQ-33 SGQ-63S |
| |
 |
| |
| 四、使用說明 |
1、必須在規定的環境下使用規定的介質。 2、在灰塵大、潮濕、環境惡劣的場合使用,應加配防塵罩。 3、給油器的兩個進油口分別與兩條供油管連接,且兩側是貫通的,某一側的進油口不使用時應用R3/8螺塞封堵。 4、給油器在系統中優先采用并聯安裝法、供油管與分配器聯接在左邊或右邊均可;其次采用串聯安裝法,最多串聯個數不允許超過三個。 5、優先使用給油器襯板安裝給油器,與給油器襯板接觸的表面應光滑平整,安裝螺栓不宜擰得過緊,以免變形太大影響正常工作。 6、給油量的調整為先旋出限位器上的鎖緊螺絲,然后調節調整螺絲,可以根據潤滑點的實際需要在最大和最小給油量的范圍內調整給油量。調整應在指示桿縮回去的狀態下進行,調整完畢后應將鎖緊螺絲擰緊。 7、給油器活塞二端螺塞不許拆卸;有泄漏時擰緊螺塞或更換新的密封圈。 8、若機器潤滑點數為奇數時,可將下部任一出油孔中的分隔部件拆除,然后用螺塞將上部出油孔堵塞,即可使用。 |
| |
| 五、型號說明 |
 |
| |
六、常見故障處理 1、給油器不動作。 檢查供油管有無壓力油輸送,卸荷油管是否暢通,潤滑點是否被阻塞,給油器內是否進入雜質致使活塞孔拉毛等,查明排除后即可。 2、限位器指示桿處漏油。 拆下限位器體,檢查密封圈是否使用時間過長或超過規定的使用環境溫度,查明后更換密封圈。
七、訂貨須知 給油器安裝使用環境溫度>80℃的必須在訂貨合同中注明,以便供應耐高溫密封圈。 |