|
一、使用條件 VSL-KR型雙線分配器上下面均有給油口,分配器活塞正反向動作時分別從上面和下面的給油口排出潤滑脂;在相應上、下給油口內設有合二為一的排油結構,要改變奇數出油,只需將孔內的螺釘擰出即可。還可以從指示桿的動作直接觀察分配器的工作情況,同時還可以通過調整螺釘在規定范圍內調整各出油口的給油量。 該型分配器適用于公稱壓力為40MPa的雙線式干油集中潤滑系統中,在兩條供油主管交替的供油壓力作用下,直接由供油壓力控制活塞動作給油,完成向潤滑點定量分配潤滑脂的功能。 | |
| 二、技術參數 |
|
|
型 號 |
公稱壓力MPa
|
動作壓力Mpa
|
額定給油mL/循環
|
調整螺釘每轉一圈調整量ml |
|
VSL※-KR |
40
|
≤1.0 |
0-5
|
0.15 | |
| 使用介質為錐入度不低于265(25℃,150g)1/10mm的潤滑脂(NLGI0#~2#)或粘度等級大于N68的潤滑油;使用環境溫度為-10~80℃;使用介質為潤滑油時,請在20MPa壓力下使用。 |
| |
| 三、型號說明 |
 |
| |
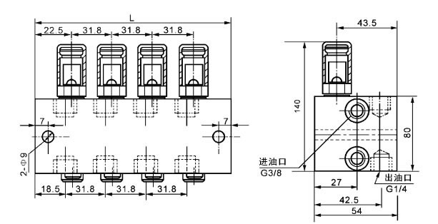
| 四、外形尺寸 |
 |
|
型號 |
VSL-KR |
VSL4-KR |
VSL6-KR |
VSL8-KR |
|
出油口數 |
2 |
4 |
6 |
8 |
|
L(mm) |
44.5 |
76 |
108 |
140 | |
| |
| 五、使用說明 |
| 若需相應上下出口合并時,只需將上出油孔內的壓緊螺塞用6mm內六角扳手擰出,取出分油套通孔向下裝入,再擰緊壓緊螺塞,此時上出口用G1/4螺塞封堵以防灰塵侵入。 |
| |
六、訂貨須知 分配器安裝使用環境溫度在-10~80℃以外的必須在訂貨合同中注明,以便供貨時提供耐低、高溫油封。
|
| |